单项选择题
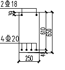
钢筋混凝土矩形截面梁,
,混凝土采用C30,钢筋采用HRB400,强度指标分别为:
,
, 截面配筋如图所示,截面的抗弯承载力为:
A.247kN.m
B.232kN.m
C.263kN.m
D.258kN.m
<上一题
目录
下一题>
点击查看答案
打开小程序,免费文字、语音、拍照搜题找答案
热门
试题
单项选择题
3.正三棱锥的底面边长为3,侧棱长为 ,则这个正三棱锥的体积是( ). A B C D A、D B、D C、D D、D
点击查看答案
单项选择题
的值为 A. 0 B. 4 C. -4 D. 2
点击查看答案