多项选择题
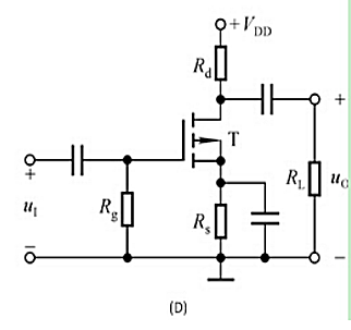
如下图所示各电路中,场效应管不能正常放大输入信号的有_____。
A.
B.
C.
D.
<上一题
目录
下一题>
点击查看答案
打开小程序,免费文字、语音、拍照搜题找答案
热门
试题
单项选择题
线征象是周围型肺癌的特征
A.肺段或肺叶的局限性肺气肿
B.圆形或类圆形肿块呈分叶状,有脐样切迹或有毛刺
C.阻塞性肺炎
D.出现囊状空洞或斑片状浸涧
E.可有“S”形的肺不张和密度较高的片状阴影
点击查看答案
单项选择题
生熟食品的加工工具及容器应分开使用并有明显标志。
A、 对
B、 错
点击查看答案