单项选择题
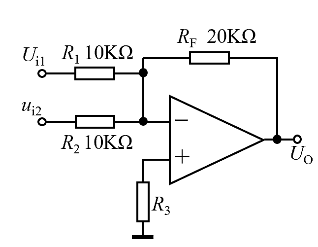
对下图所示电路,电源电压为±12V,如输入ui1为2V直流电压信号,ui2为频率为1KHz,峰峰値为2V的正弦波信号,则预期输出信号为:()
A.直流偏置为2V,频率为1KHz,峰峰値为2V,与输入信号同相的正弦波;
B.直流偏置为4V,频率为1KHz,峰峰値为4V,与输入信号反相的正弦波;
C.直流偏置为-2V,频率为1KHz,峰峰値为2V,与输入信号同相的正弦波;
D.直流偏置为-4V,频率为1KHz,峰峰値为4V,与输入信号反相的正弦波。
<上一题
目录
下一题>
点击查看答案
打开小程序,免费文字、语音、拍照搜题找答案
热门
试题
单项选择题
设,其中都是n阶方阵,则下列等式成立的是( ).
A.
B.
C.
D.
点击查看答案
单项选择题
Let p be a prime. In SL(2, ), has order ( ).
A.2
B.1
C.p-1
D.p
点击查看答案