单项选择题
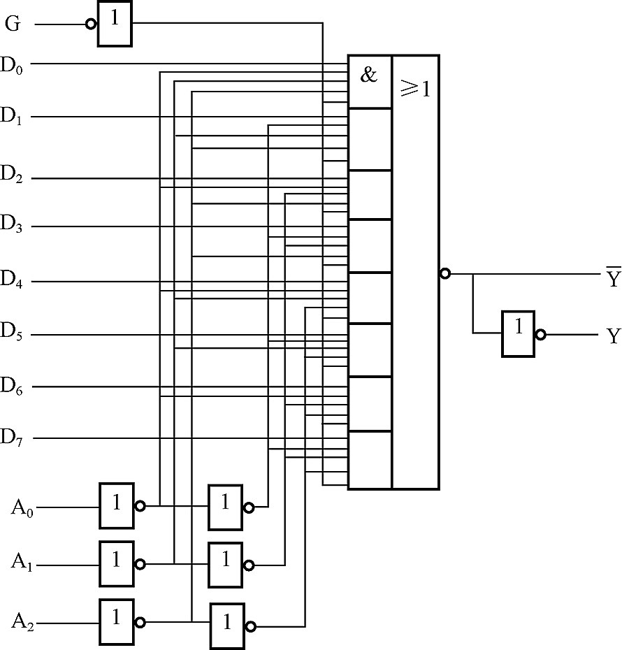
下面这些门组成的电路,因为有很广泛的用途,芯片厂家封装成集成电路,重新给个名字,是哪个?
A.74LS139
B.74LS151
C.74LS138
D.74LS153
<上一题
目录
下一题>
点击查看答案
打开小程序,免费文字、语音、拍照搜题找答案
热门
试题
单项选择题
A.8B.12C.24D.96
点击查看答案
单项选择题
心电图检查时,黑色导联线应接在 A. 右上肢 B. 右下肢 C. 左下肢 D. 左上肢 E. 胸骨左缘第二肋间
点击查看答案