单项选择题
功率放大电路
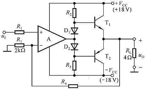
电路如下图所示。已知T1和T2管的饱和管压降|UCES|=2V
1.电路中D1和D2管的作用是消除_____。
A.饱和失真
B.截止失真
C.交越失真
<上一题
目录
下一题>
点击查看答案
打开小程序,免费文字、语音、拍照搜题找答案
热门
试题
单项选择题
普通中小学校组织学生参加劳动,下列说法错误的是()。
A. 不得让学生接触有毒有害物质
B. 不得让学生从事不安全工种的作业
C. 可以让学生参加夜班劳动
D. 可以让学生参加植树劳动
点击查看答案&解析
单项选择题
中国教育工作的根本大法是()。
A. 《中华人民共和国教育法》
B. 《中华人民共和国教师法》
C. 《中华人民共和国义务教育法》
D. 《中华人民共和国未成年人保护法》
点击查看答案&解析